○涌谷町自然環境等と再生可能エネルギー発電事業との調和に関する条例施行規則
令和7年9月29日
涌谷町規則第15号
(趣旨)
第1条 この規則は、涌谷町自然環境等と再生可能エネルギー発電事業との調和に関する条例(令和7年涌谷町条例第26号。以下「条例」という。)の施行に関し必要な事項を定めるものとする。
(定義)
第2条 この規則において使用する用語は、条例において使用する用語の例による。
2 条例第2条第7号に規定する行政区とは、涌谷町行政区長設置に関する条例施行規則(昭和63年涌谷町規則第3号)第2条に規定する行政区をいう。
(発電出力)
第3条 条例第7条に規定する発電出力は、実質的に一体と認められる場所で、複数の再生可能エネルギー発電設備に分割して設置(既存の再生可能エネルギー発電設備を増設する場合を含む。)する場合は、合算した発電出力とする。
(事業の内容等の軽微な変更)
第5条 条例第9条第2項ただし書に規定する規則で定める軽微なものは、再生可能エネルギー発電設備の発電出力の縮小のほか、町長が認める軽微な変更とする。
(地域住民等への周知)
第6条 条例第9条第1項の規定による方法は、次のいずれかによるものとする。
(1) 地域住民等への戸別訪問
(2) 地域住民等への事業概要資料の配布
(3) 発電設備設置予定地へ事業概要を記載した看板設置
(4) その他町長が認める方法
(1) 事業計画書(様式第5号)
(2) 説明会報告書(様式第6号)
(3) 確約書(様式第7号)
(4) 事業者が法人にあっては、法人の登記事項証明書
(5) 事業者が個人にあっては、住民票抄本
(6) 位置図
(7) 現況写真
(8) 事業区域全域の公図
(9) 事業区域全域の土地の登記事項証明書
(10) 土地の合意取得状況について確認できる書類(契約書等の写し)
(11) 土地所有者等の承諾書(土地所有者が事業者と異なる場合)(様式第8号)
(12) 土地利用計画図(縮尺が1,000分の1以上の平面図)
(13) 造成を含む事業にあっては、土地造成計画図(縮尺が1,000分の1以上の平面図、縦断図及び横断図)
(14) 建築物又は工作物の設計図(平面図、立面図及び断面図)
(15) 事業影響予測図(騒音、振動、電磁波、反射光等に係るもの)
(16) 流量計算書
(17) 排水計画図(平面図及び断面図)
(18) 排水施設構造図
(19) 排水に係る放流承諾書
(20) 工事施工方法書(計画書)(作業の方法及び工法を示したものをいう。)
(21) 維持管理(保守点検)計画書
(22) 維持管理(保守点検)費用及び廃棄等費用積立て計画書
(23) 事業に関する法令等による許認可等を受けているときは、その写し
(24) 事業区域内に抑制区域を含むときは、抑制区域の対策に関する申出書(様式第9号)
(25) 事業区域及びその周辺の状況
(26) 地域住民等への説明状況
(27) 再生可能エネルギー電気の利用の促進に関する特別措置法(平成23年法律第108号)第9条第4項に基づく認定通知書
(28) その他町長が必要と認める書類
3 事業者は、前2項の協議の届出について正副2通を作成し、町長に提出しなければならない。
(維持管理)
第11条 条例第14条第1項に規定する維持管理とは、次に掲げるものをいう。
(1) 事業区域に関係者以外の者が容易に立ち入ることができないよう、フェンス等を設置すること。
(2) 事業区域から土砂等を流出させないこと。
(3) 災害、事故等に速やかに対応できるよう、事業区域の境界の内側に、巡視、点検のための管理用通路を設けること。
(4) 緊急対応マニュアル及び緊急連絡網を作成すること。
(5) 事業区域の定期的な除草及び清掃を行うこと。
(6) 再生可能エネルギー発電設備の適切な保守点検を行うこと。
(7) 事業区域内で除草剤、殺虫剤その他の薬剤を使用する場合は、周辺環境に影響が及ぶことがないよう十分配慮すること。
(8) 事業区域に隣接する水路の土砂上げ、及び水路敷の草刈りを行うこと。
(公表)
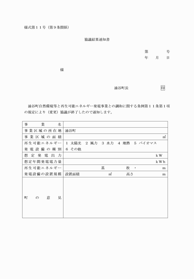
第16条 条例第19条第1項の規定による公表は、涌谷町公告式条例(昭和30年涌谷町条例第1号)に定める掲示場における掲示及び町ホームページへの掲載により行うものとする。
(その他)
第18条 この規則に定めるもののほか、必要な事項は、町長が別に定める。
附則
この規則は、令和8年1月1日から施行する。
別表(第4条関係)
抑制区域 |
1 農業振興地域の整備に関する法律(昭和44年法律第58号)第8条第2項第1号に規定する農用地区域(電気事業者による再生可能エネルギー電気の調達に関する特別措置法施行規則(平成24年経済産業省令第46号)第5条第1項第9号の2に規定する特定営農型太陽光発電設備を設置する場合を除く。) |
2 森林法(昭和26年法律第249号)第25条第1項に規定する保安林 |
3 自然環境保全条例(昭和47年宮城県条例第25号)第23条第1項に規定する緑地環境保全地域 |
4 土砂災害警戒区域等における土砂災害防止対策の推進に関する法律(平成12年法律第57号)第7条第1項に規定する土砂災害警戒区域及び同法第9条第1項に規定する土砂災害特別警戒区域 |
5 地すべり等防止法(昭和33年法律第30号)第3条第1項に規定する地すべり防止区域 |
6 急傾斜地の崩壊による災害の防止に関する法律(昭和44年法律第57号)第3条第1項に規定する急傾斜地崩壊危険区域 |
7 砂防法(明治30年法律第29号)第2条に規定する砂防指定地 |
8 河川法(昭和39年法律第167号)第6条第1項に規定する河川区域及び同法第54条第1項に規定する河川保全区域 |
9 文化財保護法(昭和25年法律第214号)第93条第1項に規定する周知の埋蔵文化財包蔵地又は同法第109条第1項に規定する史跡、名勝又は天然記念物が所在する土地 |
10 文化財保護条例(昭和50年宮城県条例第49号)第32条第1項又は涌谷町文化財保護条例(昭和41年涌谷町条例第6号)第30条第1項に規定する史跡、名勝又は天然記念物が所在する土地 |
11 その他町長が必要と認める区域 |




























